NATVIT

Dépalletisation de bouteilles

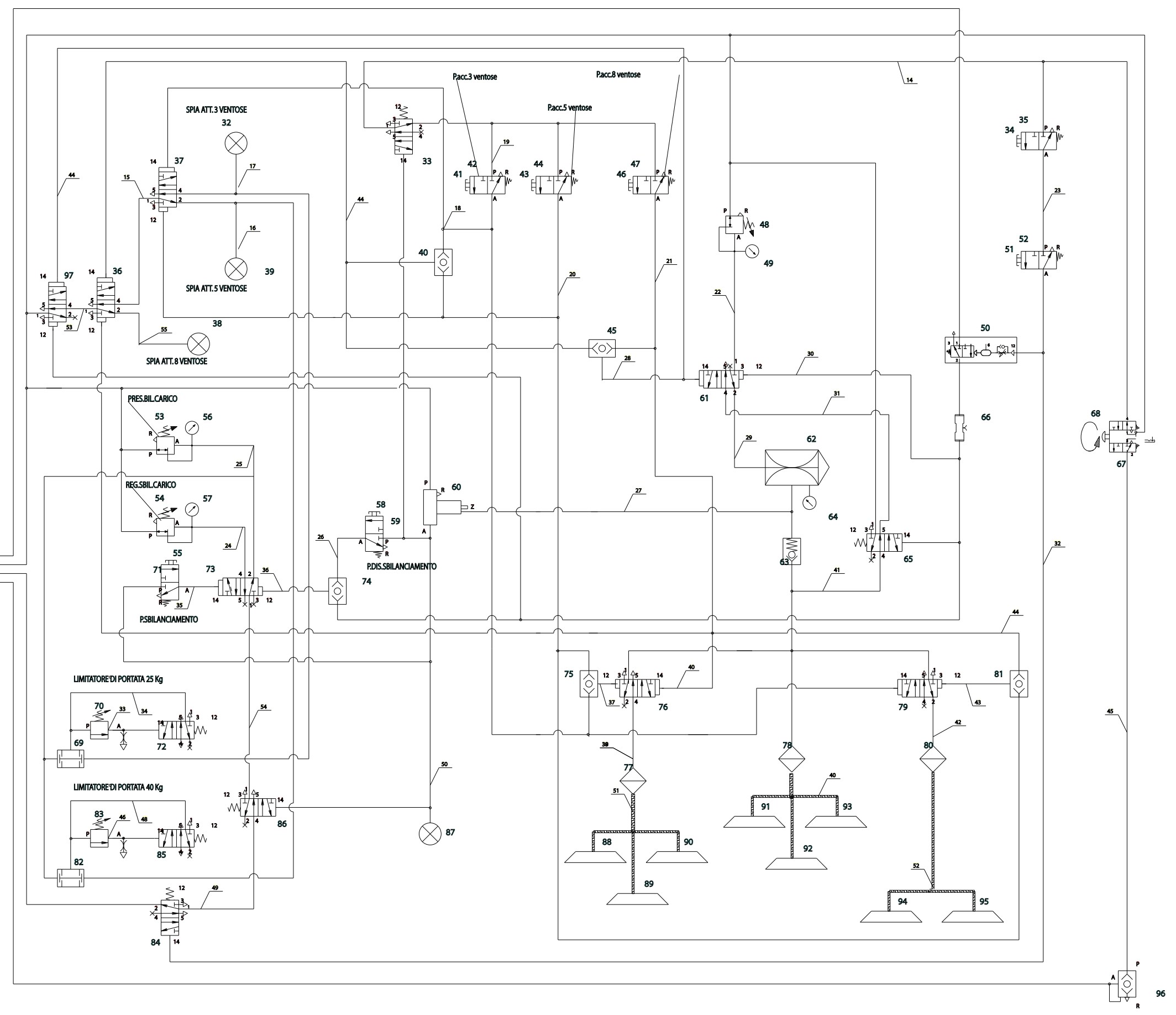
🤏 Schéma Pneumatique - Système Préhenseur

🔧 Système de Préhension Pneumatique

Schéma pneumatique interactif du système de préhension des bouteilles. Cliquez sur les composants pour accéder aux détails techniques et aux spécifications.

Schéma pneumatique du système préhenseur
Distributeur 73 Régulateur 48 Pilote 60 Vacuomètre 64 Éjecteur 62 Limiteur pression 70 Limiteur pression 83 Sélecteur 69 Sélecteur 82 Distributeur 72 Distributeur 85 Distributeur 84 Distributeur 86 Sélecteur 40 Sélecteur 45 Sélecteur 74 Sélecteur 75 Sélecteur 81 Distributeur 59 Bouton poussoir 58 Distributeur 97 Distributeur 33 Distributeur 36 Distributeur 37 Distributeur 79 Distributeur 61 Bouton poussoir 41 Bouton poussoir 43 Bouton poussoir 46 Distributeur 42 Distributeur 44 Distributeur 47 Distributeur 71 Bouton poussoir 55 Distributeur 35 Bouton poussoir 34 Temporisateur 50 Distributeur 52 Bouton poussoir 51 Distributeur 67 Bouton poussoir 68 Filtre 77 Filtre 78 Filtre 80 Clapet 63

🔄 Principe de fonctionnement

1. 🫳 Phase d'approche

Le système préhenseur s'approche de la bouteille avec un mouvement contrôlé. Les capteurs de position assurent un positionnement précis.

2. 🤏 Phase de saisie

Activation de l'éjecteur pour créer le vide pneumatique. Les boudins se conforment à la forme de la bouteille pour une prise sécurisée.

3. 🚚 Phase de transport

Maintien du vide pendant le déplacement. Le vacuomètre surveille en continu la pression pour détecter un éventuel relâchement.

4. 🎯 Phase de dépose

Arrivé à destination, coupure contrôlée du vide pour libérer la bouteille. Retour en position d'attente pour le cycle suivant.

⚡ Caractéristiques techniques

🌪️ Vide de service

-0.8 bar

💨 Débit d'aspiration

240 L/min

🏋️ Force de préhension

50 N

⏱️ Temps de cycle

2.5 s

← Retour à la Partie Opérative