🖥️ Partie Commande (P.C)
⚙️ Programmation du système
Cette section détaille la programmation et la configuration du système automatisé de dépalletisation, incluant la gestion des entrées/sorties et la logique de commande.
📊 Synoptique du système
Schéma synoptique général du système de dépalletisation
🔌 Configuration Entrées/Sorties
⚠️ Important : L'entrée Arrêt n'est plus sur une entrée automate mais dans la partie sécurité du schéma électrique
🔧 Choix des préactionneurs
| Nom | Actionneur | Pré-Actionneur |
|---|---|---|
| Tapis | Moteur | KM1 |
| Convoyeur | Moteur | KM2 |
| Va et viens | Vérin | 12Y |
| Lumière orange | Lumière | O |
📡 Choix des capteurs
| Nom | Capteur |
|---|---|
| Détection bouteilles | b1 |
🔘 Choix des boutons
| Nom | Boutons |
|---|---|
| Bouton marche | DCY |
| Bouton moteur1 | b2 |
| Bouton moteur2 | b3 |
| Bouton vérin | b4 |
| Bouton arrêt | b7 |
| Bouton auto | b8 |
| Bouton manu | b9 |
| Bouton sécurité | KA |
📤 Sorties automate
| Repère | Désignation |
|---|---|
| O1 | KM1 Moteur tapis |
| O2 | KM2 Moteur convoyeur |
| O3 | 12Y Vérin |
| O4 | O Lumière orange |
📥 Entrées automate
| Repère | Désignation |
|---|---|
| I1 | Dcy Bp Marche |
| I2 | b1 Détection des bouteilles |
| I3 | b2 Bouton (moteur 1) |
| I4 | b3 Bouton (moteur 2) |
| I5 | b4 Bouton vérin |
| I6 | b7 Bp Arrêt |
| I7 | b8 Bp auto |
| I8 | b9 Bp manu |
| I9 | Ka Sécurité |
📈 Diagrammes de fonctionnement
GEMMA (Guide d'Étude des Modes de Marches et d'Arrêts)
Gestion des modes de fonctionnement et d'arrêt du système
GRAFCET Partie Opérative (P.O)
Séquencement des actions de la partie opérative
GRAFCET Partie Commande (P.C)
Logique de commande et de contrôle du système
💻 Programmation Millennium
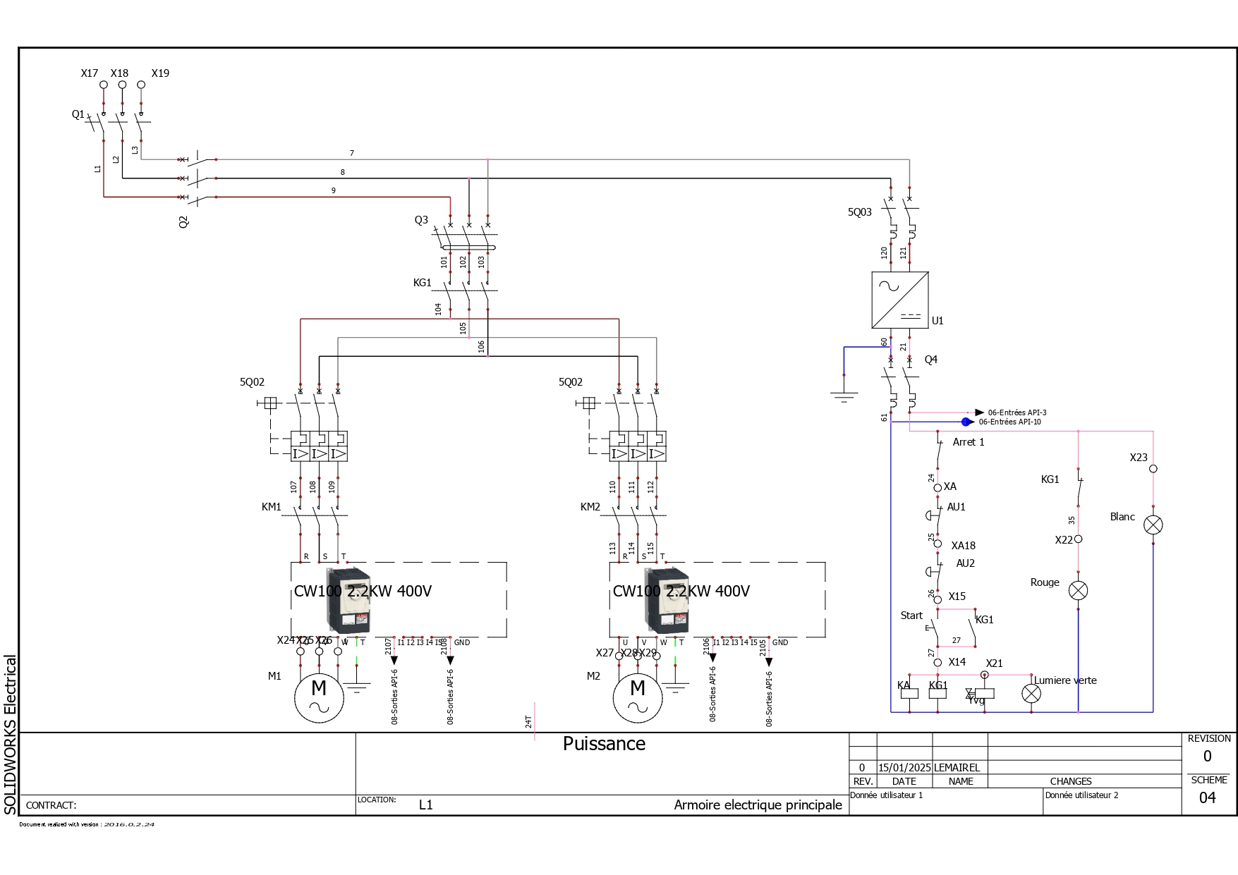
⚡ Câblage de l'armoire électrique
Schémas de câblage et de connexion de l'armoire électrique du système de dépalletisation.
Schéma électrique principal
Schéma de puissance
Schéma de commande
Câblage armoire - Vue 1
Câblage armoire - Vue 2